Strona główna >> Oferta >> Instalacje linii mieszalniczych >> Magazynowanie i transport gotowych mieszanek
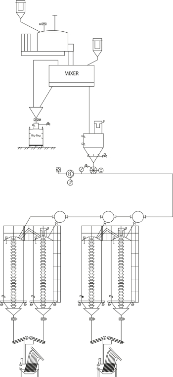
Do zmagazynowania gotowych mieszanek dostarczamy urządzenia dla transportu pneumatycznego, silosy magazynowe z homogenizacją lub bez oraz stacje napełniania worków Big-Bag lub kontenerów.